Вытяжной вентилятор Белтехком YWF4E-630
- Производитель:
- Код товара:140368
- Доступно:Есть в наличии300
ОписаниеВытяжной вентилятор Белтехком YWF4E-630
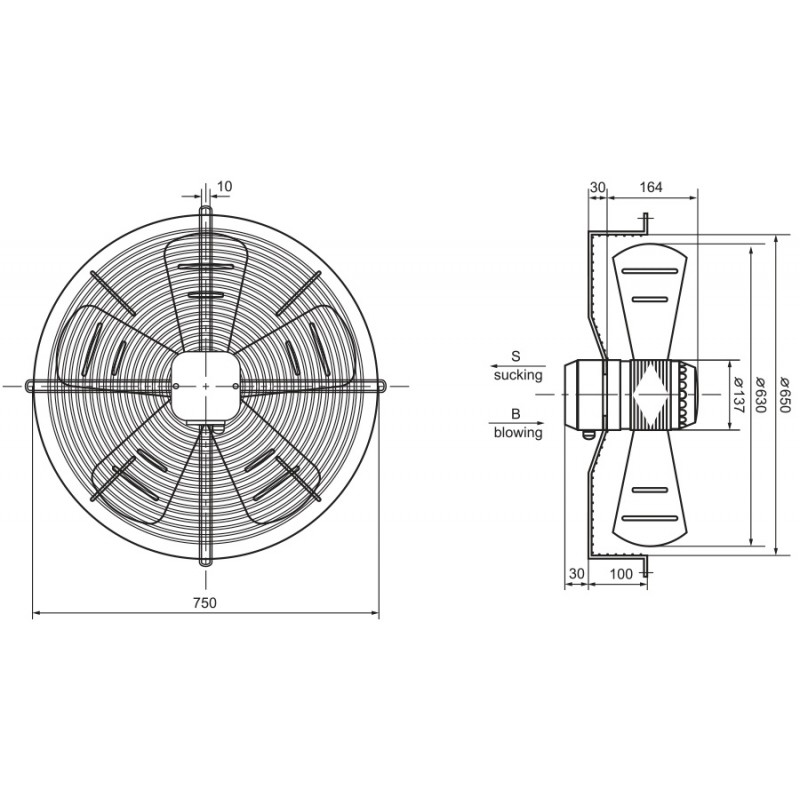
YWF 4E-630 (ВО 4E-630)— представитель высокопроизводительной серии осевых вентиляторов для использования в системах вентиляции, кондиционирования жилых и промышленных зданий, различных типах устройств (тепловентиляторах, испарителях и пр.). Вращающийся узел в конструкции устройства представляет собой рабочее колесо с лопастями оптимизированной серповидной формы с непосредственной связью с внешним ротором приводного электродвигателя.
Крыльчатка, изготовленная из углеродистой стали гарантирует высокую надежность и долговечность устройства (для противодействия коррозионным процессам материал имеет стойкое лакокрасочное покрытие).
За счет оптимизированной серповидной формы лопастей достигается высокая производительность (при потребляемой мощности 760Вт максимальный расход составляет 11000куб.м/ч) и минимальный уровень аэродинамических потерь. Кроме того, рабочее колесо проходит обязательную динамическую балансировку в двух плоскостях, что позволяет добиться уровня рабочего шума, не превышающего 78дБА.
| Потребляемая мощность | 760 Вт |
| Гарантия | 24 мес. |
| Напряжение | 220 В |
| Диаметр рабочего модуля | 650 мм |
| Назначение | бытовой |
| Макс. расход воздуха | 11000 м³/час |
| Уровень шума max. | 78 дБ |
| Скорость вращения | 1350 об/мин |
| Цвет | чёрный |
| Тип конструкции | осевой |
Пока не было вопросов.









